

उत्पाद विवरण
मुख्य आयाम और प्रदर्शन डेटा
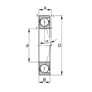
| d |
70 मिमी |
बोर व्यास |
| D |
110 मिमी |
घेरे के बाहर |
| B |
20 मिमी |
चौड़ाई |
| Cr |
50,000 N |
मूल गतिशील भार रेटिंग, रेडियल |
| C0r |
30,500 N |
मूल स्थैतिक लोड रेटिंग, रेडियल |
| Cउर |
3,250 N |
थकान भार सीमा, रेडियल |
| nजी ग्रीस |
13, 000 1\/मिनट |
ग्रीस स्नेहन के लिए सीमित गति |
| nजी तेल |
20, 000 1\/मिनट |
तेल स्नेहन के लिए सीमित गति |
| ≈m |
0। 59 किग्रा |
वज़न |
बढ़ते आयाम
| da |
77 मिमी |
व्यास शाफ्ट कंधे |
| da |
h12 |
व्यास शाफ्ट कंधे निकासी |
| Da |
102 मिमी |
कंधे का व्यास बाहरी अंगूठी |
| Da |
H12 |
कंधे का व्यास बाहरी रिंग निकासी |
| rएक अधिकतम |
1 मिमी |
अधिकतम अवकाश त्रिज्या |
| rए 1 मैक्स |
0। 6 मिमी |
अधिकतम अवकाश त्रिज्या |
| Eटीके मिन |
82.4 मिमी |
न्यूनतम व्यास इंजेक्शन पिच |
| Eटीके मैक्स |
86। 7 मिमी |
अधिकतम व्यास इंजेक्शन पिच |
| ETk1 मिनट |
82.4 मिमी |
न्यूनतम व्यास इंजेक्शन पिच |
| ETK1 मैक्स |
86। 7 मिमी |
अधिकतम व्यास इंजेक्शन पिच |
| a |
22.1 मिमी |
दबाव शंकु के शीर्षों के बीच की दूरी |
DIMENSIONS
| rमिन |
1.1 मिमी |
न्यूनतम chamfer आयाम |
| r1 मिनट |
1.1 मिमी |
न्यूनतम chamfer आयाम |
|
15 डिग्री |
संपर्क कोण |
तापमान की रेंज
| Tमिन |
-30 डिग्री |
ऑपरेटिंग तापमान मिन। |
| Tअधिकतम |
100 डिग्री |
ऑपरेटिंग तापमान अधिकतम। |
अतिरिक्त जानकारी
| FV L |
276 N |
प्रीलोड फोर्स लाइट |
| FV M |
894 N |
प्रीलोड फोर्स मीडियम |
| FV H |
1,790 N |
प्रीलोड फोर्स हैवी |
| Kae l |
853 N |
लिफ्ट-ऑफ फोर्स लाइट |
| Kae m |
2,995 N |
लिफ्ट-ऑफ फोर्स मीडियम |
| Kएई एच |
6,414 N |
लिफ्ट-ऑफ फोर्स हैवी |
| ca L |
74 N/µm |
अक्षीय कठोरता प्रकाश |
| ca M |
125 N/µm |
अक्षीय कठोरता माध्यम |
| ca H |
179 N/µm |
अक्षीय कठोरता भारी |
B 7014- CT-P4S-UL स्पिंडल असर: अनुप्रयोगों की मांग के लिए सटीक इंजीनियर
B 7014- CT-P4S-UL स्पिंडल असर एक उच्च-सटीक कोणीय संपर्क बॉल बेयरिंग है, जो अल्ट्रा-हाई-स्पीड ऑपरेशन और चरम कठोरता के लिए डिज़ाइन किया गया है। एक 15 डिग्री संपर्क कोण और एक प्रबलित स्टील केज की विशेषता, यह भारी रेडियल और अक्षीय भार के तहत स्थिरता बनाए रखते हुए घर्षण को कम करता है। इसका P4S-GRADE निर्माण तंग सहिष्णुता नियंत्रण (ABEC 7\/ISO कक्षा 4) सुनिश्चित करता है, जो माइक्रोन-स्तरीय सटीकता की आवश्यकता वाले अनुप्रयोगों के लिए महत्वपूर्ण है। UL- प्रमाणित हीट-रेसिस्टेंट स्नेहक निरंतर उच्च तापमान वाले वातावरण में भी सेवा जीवन का विस्तार करता है, जिससे यह उद्योगों के लिए एक विश्वसनीय विकल्प बन जाता है, जो अपटाइम और प्रदर्शन स्थिरता को प्राथमिकता देता है।
महत्वपूर्ण मशीनरी में बेहतर प्रदर्शन
CNC मशीनिंग केंद्रों के लिए अनुकूलित, स्पिंडल और हाई-स्पीड रोबोटिक्स को पीसने के लिए, B 7014- CT-P4S-UL एक्सेल शून्य डाउनटाइम की मांग करने वाले परिदृश्यों में। इसका हाइब्रिड सिरेमिक-बॉल डिज़ाइन (वैकल्पिक) सभी स्टील वेरिएंट की तुलना में केन्द्रापसारक बलों को 40% तक कम कर देता है, जिससे आरपीएम सीमा 18, 000 से अधिक हो जाती है। ट्रिपल-लिप सीलिंग सिस्टम प्रभावी रूप से गति क्षमताओं से समझौता किए बिना दूषित पदार्थों को अवरुद्ध करता है, जबकि प्रीलोड-एडजस्टेबल कॉन्फ़िगरेशन कंपन-संवेदनशील उपकरणों के लिए ठीक-ट्यूनिंग की अनुमति देता है। आईएसओ 15242-2 मानकों के तहत परीक्षण किया गया, यह असर मानक पी 4 बीयरिंगों की तुलना में 30% लंबे समय तक थकान जीवन प्रदान करता है, सटीक टूलिंग और मेडिकल डिवाइस निर्माण में रखरखाव की लागत को कम करने के लिए अनुवाद करता है।
उद्योग-विशिष्ट अनुकूलनशीलता
व्यापक रूप से एयरोस्पेस टरबाइन नियंत्रण, डेंटल ड्रिल मोटर्स, और सेमीकंडक्टर वेफर हैंडलर्स में अपनाया गया, बी 7014- CT-P4S-UL ROH और REACH सहित कड़े उद्योग प्रमाणपत्रों को पूरा करता है। इसके कॉम्पैक्ट 70x110x20 मिमी आयाम लोड क्षमता का त्याग किए बिना अंतरिक्ष-विवश असेंबली में एकीकरण को सक्षम करते हैं (गतिशील: 32 kN, Static: 22 kN)। इलेक्ट्रिकल इन्सुलेशन वेरिएंट ईडीएम अनुप्रयोगों के लिए उपलब्ध हैं, जिससे वृद्धि को रोकना है। अग्रणी सीएनसी निर्माताओं ने इस असर श्रृंखला के साथ रेट्रोफिटिंग करते समय सतह खत्म गुणवत्ता में 15% सुधार की रिपोर्ट की, उत्पादकता और स्वचालित विनिर्माण पारिस्थितिक तंत्रों में अंत-उत्पाद सटीकता पर इसके प्रभाव को रेखांकित किया।


लोकप्रिय टैग: b 7014- ct-p4s-ul, b 7014- ct-p4s-ul आपूर्तिकर्ता
की एक जोड़ी
B 71916- ct-p4s-ulअगले
N 1019 ktn9\/spशायद तुम्हे यह भी अच्छा लगे
जांच भेजें










